Desarrollo de productos electrónicos ELE301
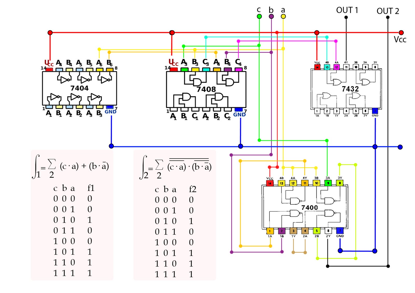
Lógica. Implementando una Función 17-11-09
No hay comentarios:
Publicar un comentario
Entrada más reciente
Entrada antigua
Inicio
Suscribirse a:
Enviar comentarios (Atom)
No hay comentarios:
Publicar un comentario